電話:
0577-86155736
手機:
0577-86155736
郵箱:
wzcryy@126.com
地址:
溫州市甌海區婁橋工業園繁瑞路11號

ZU-A QU-A WU-A XU-A系列回油過濾器過濾器安裝在液壓系統的回油管路處,用以濾除油液中諸元件磨損的金屬粉末以及密封件磨損的橡膠雜質等,使流回油箱中的油液保持清潔,有利于系統中油液循環使用。
該過濾器分化纖式、紙質式、網式和線隙式四種。化纖式比紙質過濾效果好、精度高,化纖式和紙質式濾芯堵塞后清洗比較困難,因此必須更換濾芯。
該過濾器裝有壓差發訊裝置,當濾芯因污染堵塞致使進出油口壓差達0.35MPa時,便發出開關信號,此時應清洗或更換濾芯。
該過濾芯采用新型化纖過濾材質,具有過濾精度高、通油能力大、原始壓力損失少、納污量大等優點,其過濾精度以絕對過濾精度標定,過濾比β3、5、10、20 >100,過濾效率n≥99%,符合ISO標準。
型號說明

ZU-A,QU-A,WU-A系列回油過濾器
| 型號 | 通徑(mm) | 公稱流量(L/min) | 過濾精度(μm) | 公稱壓力(Mpa) | 壓力損失(MPa) | 通閥開啟壓力(MPa) | 發訊裝置功率(V/W) | 重量(kg) | 連接方式 | 濾芯型號 | |
| Initial | Max | ||||||||||
| □U-A10×*P | 10 | 10 | 1 3 5 10 20 30 | 1.6 | 0.05 | 0.35 | 0.4 | 24V/48W 220V/50W | 2.6 | 管式 | TZX2-10×*# |
| □U-A25×*P | 15 | 25 | 3.2 | TZX2-25×*# | |||||||
| □U-A40×*P | 20 | 40 | 3.6 | TZX2-40×*# | |||||||
| □U-A63×*P | 25 | 63 | 0.07 | 4.8 | TZX2-63×*# | ||||||
| □U-A100×*P | 32 | 100 | 5.8 | TZX2-100×*# | |||||||
| □U-A160×*P | 40 | 160 | 0.12 | 6.7 | TZX2-160×*# | ||||||
| □U-A250×*FP | 50 | 250 | 9.5 | 法蘭 | TZX2-250×*# | ||||||
| □U-A400×*FP | 65 | 400 | 0.15 | 14.4 | TZX2-400×*# | ||||||
| □U-A630×*FP | 80 | 630 | 22.3 | TZX2-630×*# | |||||||
| □U-A800×*FP | 90 | 800 | 0.17 | TZX2-800×*# | |||||||
| □U-1000×*FP | 100 | 1000 | TZX2-000×*# | ||||||||
| □U-A25×*BP | 20 | 25 | 0.05 | 3.2 | 板式 | TZX2-25×*# | |||||
| □U-A40×*BP | 40 | 3.5 | TZX2-40×*# | ||||||||
| □U-A63×*BP | 32 | 63 | 0.07 | 3.9 | TZX2-63×*# | ||||||
| □U-A100×*BP | 100 | 6.2 | TZX2-100×*# | ||||||||
| □U-A160×*BP | 38 | 160 | 0.12 | 7.0 | TZX2-160×*# | ||||||
| □U-A250×*BP | 50 | 250 | 10.0 | TZX2-250×*# | |||||||
| □U-A400×*BP | 65 | 400 | 0.15 | 15.4 | TZX2-400×*# | ||||||
注:*為過濾精度,#為過濾材料,若使用介質為水一乙二醇,濾材為紙質,帶發訊器,則過濾器型號號為:ZU·BH-A63×*P,濾芯型號為:TZX2·BH-63×*。濾材為化纖,過濾精度為10~15μm,帶發訊器,則過濾器型號為:Q2U-A63×*P,濾芯型號為:TZX2-63x*Q。濾材為化纖,過濾精度為1~5μm,帶發訊器,則過濾器型號為:Q3U-A63×*P,濾芯型號為:TZX2-63*Q。濾材為金屬網,帶發訊器,則過濾器型號:WU-A63×*P,濾芯型號為:TZX2-63x*W。
XU-A系列加油過濾器
| 型號 | 通徑(mm) | 公稱流量(L/min) | 過濾精度(μm) | 公稱壓力(Mpa) | 壓力損失(MPa) | 旁通閥開啟壓力(MPa) | 發訊裝置功率(V/W) | 重量(kg) | 連接方式 | 濾頭型號 | |
| Initial | Max | ||||||||||
| XU-A10×*P | 10 | 10 | 30 50 | 1.6 | 0.05 | 0.35 | 0.4 | 24V/48W 220V/50W | 2.8 | 管式 | TXX-10×* |
| XU-A25×*P | 15 | 25 | 3.4 | TXX-25×* | |||||||
| XU-A40×*P | 20 | 40 | 3.9 | TXX-40×* | |||||||
| XU-A63×*P | 25 | 63 | 0.07 | 4.9 | TXX-63×* | ||||||
| XU-A100×*P | 32 | 100 | 6.3 | TXX-100×* | |||||||
| XU-A160×*P | 40 | 160 | 0.12 | 7.0 | TXX-160×* | ||||||
| XU-A250×*FP | 50 | 250 | 10.2 | 法蘭 | TXX-250×* | ||||||
| XU-A400×*FP | 65 | 400 | 0.15 | 15.2 | TXX-400×* | ||||||
| XU-A630×*FP | 80 | 630 | 25.6 | TXX-630×* | |||||||
| XU-A25×*BP | 20 | 25 | 0.05 | 3.4 | 板式 | TXX-25×* | |||||
| XU-A40×*BP | 40 | 4.3 | TXX-40×* | ||||||||
| XU-A63×*BP | 32 | 63 | 0.07 | 5.8 | TXX-63×* | ||||||
| XU-A100×*BP | 100 | 7.1 | TXX-100×* | ||||||||
| XU-A160×*BP | 38 | 160 | 0.12 | 7.3 | TXX-160×* | ||||||
| XU-A250×*BP | 50 | 250 | 10.7 | TXX-250×* | |||||||
| XU-A400×*BP | 65 | 400 | 0.15 | 16.2 | TXX-400×* | ||||||
注:*為過濾精度,若使用介質為水一乙二醇,帶發訊器,過濾器型號為:XU·BH-A63×*P,濾芯型號為TXX·BH-63×*。
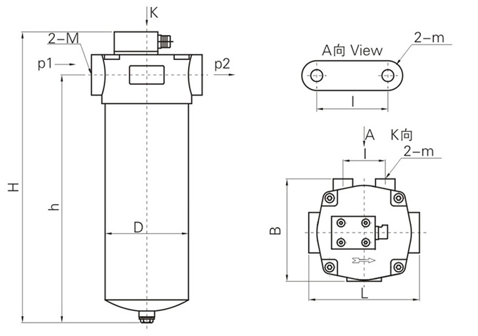
安裝外型尺寸
管式
| 型號 | 尺寸(mm) | |||||||
| H | h | L | B | D | I | M | m | |
| Z Q W XU-A10×*P | 199 | 152 | 104 | 102 | Φ70 | 30 | M18×1.5 | M6 |
| Z Q W XU-A25×*P | 239 | 182 | 120 | 110 | Φ89 | M22×1.5 | ||
| Z Q W XU-A40×*P | 299 | 242 | M27×2 | |||||
| Z Q W XU-A63×*P | 322 | 254 | 146 | 131 | Φ109 | 55 | M33×2 | M8 |
| Z Q W XU-A100×*P | 422 | 358 | 150 | M42×2 | ||||
| Z Q W XU-A160×*P | 449 | 380 | 170 | 148 | Φ134 | 65 | M48×2 | |

法蘭式
| 型號 | 尺寸(mm) | ||||||||
| H | h | L | B | b | D | m | Φ | M | |
| Z Q W XU-A250×*FP | 561 | 485 | 182 | 166 | 15 | Φ150 | M10 | 74 | M6 |
| Z Q W XU-A400×*FP | 706 | 625 | 196 | 176 | 140 | Φ163 | M12 | 94 | M8 |
| Z Q W XU-A630×*FP | 746 | 750 | 224 | 212 | 160 | Φ186 | M12 | 115 | M10 |
| Z Q W XU-A800×*FP | 1024 | 936 | 260 | 250 | 180 | Φ212 | M12 | 125 | M12 |
| Z Q W XU-A1000×*FP | 1094 | 1001 | 135 | ||||||

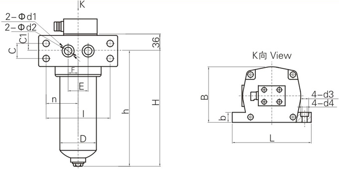
板式

| 型號 | 尺寸(mm) | |||||||||||||||
| H | h | L | B | b | D | I | n | E | F | C | C1 | ΦD1 | ΦD2 | Φd3 | ΦD4 | |
| Z Q W XU-A25×*BP | 202 | 182 | 132 | 104 | 17 | 95 | 116 | 58 | 30 | 10 | 20 | 10 | 28 | 20 | 11 | 7 |
| Z Q W XU-A40×*BP | 262 | 242 | ||||||||||||||
| Z Q W XU-A63×*BP | 290 | 254 | 160 | 127 | 18 | 115 | 142 | 71 | 45 | 22.5 | 30 | 15 | 40 | 32 | 13.5 | 9 |
| Z Q W XU-A100×*BP | 390 | 354 | ||||||||||||||
| Z Q W XU-A160×*BP | 407 | 376 | 180 | 164 | 134 | 162 | 81 | 50 | 25 | 42 | 21 | 45 | 38 | 15 | 9 | |
| Z Q W XU-A250×*BP | 522 | 486 | 210 | 202 | 150 | 18 | 94 | 66 | 33 | 48 | 24 | 60 | 50 | 18 | 11 | |
| Z Q W XU-A400×*BP | 669 | 625 | 254 | 214 | 25 | 163 | 228 | 114 | 90 | 45 | 60 | 30 | 75 | 65 | 18 | 11 |
連接法蘭請用戶參照下列尺寸加工

| 型號 | 尺寸(mm) | 法蘭用“Q”型圈 | 法蘭用螺釘 | |||||||||
| A | B | C | D | D1 | D2 | D | d | E | d1 | |||
| Z Q W XU-A250×*FP | 75 | 15 | 9 | Φ50 | Φ60 0 -0.06 | Φ54 +0.2 0 | Φ60 | Φ74 | 2.4 0 -0.1 | Φ6.7 | Φ60×3.1 | M6×25 |
| Z Q W XU-A400×*FP | 85 | Φ65 | Φ75 0 -0.06 | Φ70 +0.2 0 | Φ76 | Φ94 | Φ9 | Φ75×3.1 | M8×30 | |||
| Z Q W XU-A630×*FP | 115 | Φ80 | Φ90 0 -0.07 | Φ85 +0.2 0 | Φ91 | Φ115 | Φ11 | Φ90×3.1 | M10×30 | |||
| Z Q W XU-A800×*FP | 125 | Φ90 | Φ100 0 -0.1 | Φ98 +0.2 0 | Φ104 | Φ125 | Φ13 | Φ100×3.1 | M12×35 | |||
| Z Q W XU-A1000×*FP | 135 | Φ100 | Φ110 0 -0.1 | Φ108 +0.2 0 | Φ114 | Φ135 | Φ110×3.1 | |||||