電話:
0577-86155736
手機:
0577-86155736
郵箱:
wzcryy@126.com
地址:
溫州市甌海區婁橋工業園繁瑞路11號

SRFB系列雙筒直回式回油過濾器(新型)是由兩只單筒過濾器、換向閥、旁通閥、發訊器、擴散器等組成。它被安裝在油箱頂部,側面或底部,可在系統不停機的情況下更換濾芯,適用于連接工作的液壓系統回油精過濾,用來濾除液壓系統中諸元件磨損產生的金屬粉末以及密封件的橡膠雜質等,使流回油箱的油液保持清潔,以利于系統中的油液循環使用。
當一只過濾器的濾芯堵塞,致使進出口壓差為0.35MPa時,發訊器發訊,這時,轉動換向閥,使備用濾油器工作,然后更換已堵塞的濾芯。
在因故不能及時更換已堵塞濾芯,使進出油口壓差進一步上升到0.4MPa時,旁通閥自動開始工作,從而保護濾芯及系統正常工作,但用戶應盡快更換濾芯。
因設有止回閥,當過濾器置于油箱側面和底部時,在更換濾芯也不會使油箱內的油液流出。
擴散器設置在回油筒體底部,能使回油的介質平衡地流入油箱內,不易產生氣泡,減少了空氣的重新進入,并減弱已沉積污染物的騷動。
濾芯采用新型化纖過濾材料,具有過濾精度高,通油能力大、原始壓力損失小、納污量大等優點。其過濾精度以絕對過濾精度標定,過濾比β3、5、10、20>100,過濾效率n≥99%,符合ISO標準。
型號說明
技術參數
| 型號 | 公稱流量(L/min) | 過濾精度(μm) | 公稱壓力(Mpa) | 壓力損失(MPa) | 發訊裝置 | 重量(kg) | 連接方式 | 濾頭型號 | ||
| Initial | Max | (V) | (A) | |||||||
| SRFB-25×*F-Y C | 25 | 1 3 5 10 20 30 | ≤1.6 | ≤0.075 | 0.35 | 12 24 36 220 | 2.5 2 1.5 0.25 | 法蘭 | SFBX-25x* | |
| SRFB-40×*F-Y C | 40 | SFBX-40x* | ||||||||
| SRFB-63×*F-Y C | 63 | SFBX-63x* | ||||||||
| SRFB-100×*F-Y C | 100 | SFBX-100x* | ||||||||
| SRFB-160×*F-Y C | 160 | SFBX-160x* | ||||||||
| SRFB-250×*F-Y C | 250 | SFBX-250x* | ||||||||
| SRFB-400×*F-Y C | 400 | SFBX-400x* | ||||||||
| SRFB-630×*F-Y C | 630 | SFBX-630x* | ||||||||
| SRFB-800×*F-Y C | 800 | SFBX-800x* | ||||||||
| SRFB-1000×*F-Y C | 1000 | SFBX-1000x* | ||||||||
注:*為過濾精度,若使用介質為水一乙二醇帶CYB-Ⅰ發訊器,則過濾器型號為:SRFB·BH-63×*-Y,濾芯型號為SFBX·BH-63×*.

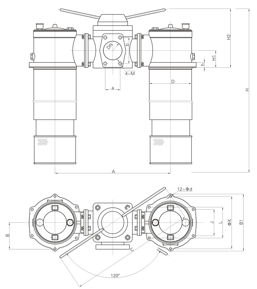
| 型號 | 尺寸(mm) | |||||||||||||||||
| DN | a | b | M | H1 | H2 | h | B | ΦK | J | L | B1 | d | A | D | H | C | Q | |
| SRFB-25×*F-YC | Φ50 | 43 | 78 | M10 | 58 | 178 | 20 | 81 | Φ150 | 75 | 90 | 168 | Φ7 | 360 | Φ124 | 361 | 350 | Φ60 |
| SRFB-40×*F-YC | 386 | |||||||||||||||||
| SRFB-63×*F-YC90 | 424 | |||||||||||||||||
| SRFB-100×*F-YC | 486 | |||||||||||||||||
| SRFB-160×*F-YC | 561 | |||||||||||||||||
| SRFB-250×*F-YC | Φ80 | 62 | 106 | M12 | 74 | Φ252 | 22 | 120 | Φ225 | 112 | 132 | 245 | Φ9 | 494 | Φ186 | 603 | 545 | Φ90 |
| SRFB-400×*F-YC | 753 | |||||||||||||||||
| SRFB-630×*F-YC | 923 | |||||||||||||||||
| SRFB-800×*F-YC | 993 | |||||||||||||||||
| SRFB-1000×*F-YC | 1160 | |||||||||||||||||
注:進油口法蘭由我廠提供,用戶只需準備好ΦQ尺寸管子焊上即可。