電話:
0577-86155736
手機:
0577-86155736
郵箱:
wzcryy@126.com
地址:
溫州市甌海區婁橋工業園繁瑞路11號

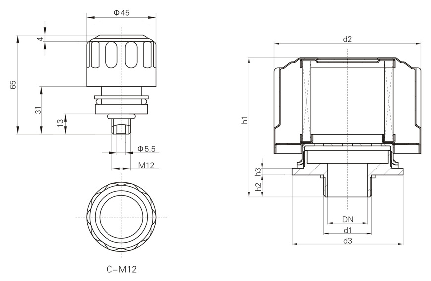
C型空氣濾清器適用于減速器排氣用。它能維持減速器箱體內的壓力和大氣壓力平衡,并防止贓物顆粒從外部進入箱體,保持箱體內油液的清潔,延長減速器的使用壽命。
型號說明

注:d1=G1 1/2A,過濾精度為40μm 則濾清器型號為:C-G1 1/2A。
技術參數及外型尺寸

| 公稱通徑 | d1 | d2 | d3 | h1 | h2 | h3 | 空氣流量(m3/min) | ||
| 普通螺紋 | 管螺紋 | C | D | ||||||
| 6.5 | M12 | ||||||||
| 25 | M33 X 2 | G 1A | 102 | 96 | 78 | 17 | 10 | 2.95 | 0.59 |
| 32 | M42 X 2 | G1 1/4A | 90 | 19 | |||||
| 40 | M48 X 2 | G 11/2A | 177 | 115 | 130 | 19 | 13.0 | 2.61 | |
| 50 | M60 X 2 | G 2A | 134 | 22 | |||||
| 65 | M76 X 2 | G 2 1/2A | 138 | 24 | 12 | ||||
| 80 | M90 X 2 | G 3A | 212 | 186 | 145 | 26 | 15.85 | 3.17 | |